Há muito que o Defender tem montado no tejadilho uma barra de faróis homemade com um conjunto de quatro faróis Hella FF-75 a funcionar em paralelo com os máximos de origem, numa configuração em que os dois faróis das extremidades são de longo alcance e os do centro espalhadores.
O ter adquirido uma A-bar com dois faróis Safari 5000 obrigou a pensar numa solução que passasse por não ter a central ligada como um todo mas que permita ligar cada par de faróis de forma independente. Por outro lado não queria colocar no Defender consolas ou painéis adicionais para botões e relés extras. A solução final passou por uma instalação discreta dos vários componentes conforme tento descrever mais à frente. Infelizmente nem todos os passos têm fotos associadas mas tentarei descrever ao máximo os trabalhos.
A primeira parte deste projecto levou a uma reestruturação da cablagem da barra de tejadilho para permitir acender os faróis aos pares. Nesta fase aproveitei para dar uma pintura à própria barra e alterar as posições dos faróis. Agora os espalhadores estão nas extremidades e os de longo alcance no centro, de modo a intensificar o feixe de luz na frente.
Além dos 3 pares de faróis auxiliares à frente deixei também instalação prevista para o farol de trabalho na parte de trás do Defender, já adquirido mas ainda não montado por causa da altura. Preciso de ensaiar a posição de montagem melhor para garantir que não fica mais alto que o ponto mais alto do tejadilho.
Aliás, a altura foi um dos pontos a ter em atenção na escolha dos faróis e do tipo de barra. No final, e para aproveitar a inclinação da parte frontal do tejadilho, o conjunto não podia superar o ponto mais alto do tejadilho do Defender. Desta forma, além de conseguir cumprir com esse requisito, os faróis Hella FF-75, pela dimensão que têm, permitiram a instalação por baixo da barra estando desta forma protegidos também contra eventuais obstáculos encontrados fora de estrada.
No futuro colocarei algumas fotos de pormenores da barra do tejadilho.
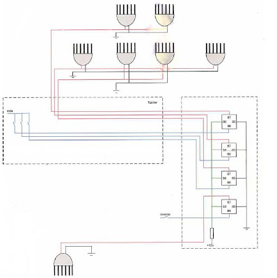
Por incrível que possa parecer primeiro tratei da parte visual como a montagem das barras e dos faróis e só depois fui estudando e amadurecendo as ideias para as ligações eléctricas, onde colocar os interruptores, relés, passagem de fios, etc... Por fim, e depois de inúmeras correcções cheguei ao seguinte esquema final.
Como se vê no diagrama e nas fotos seguintes escolhi a caixa por baixo do acento do condutor junto à bateria para colocar uma espécie de engenhoca com os relés. Para os interruptores dos diversos faróis escolhi a barra por baixo dos mostradores, ao lado do volante e próximo de outros já existentes.
No lado esquerdo do volante estão situados os 3 interruptores iluminados que fazem funcionar os pares de faróis auxiliares na frente do Defender. O da esquerda para os faróis da A-Bar, o do centro para um par da barra de cima e o da direita para o outro.
No lado direito do volante fica localizado o interruptor que ligará o farol de trabalho na traseira do Defender. A instalação está totalmente feita apenas ficou a faltar a colocação do farol.
Fotos do porta relés e respectivas ligações. Nas foto são visíveis os fusíveis de alimentação aos relés.
Toda esta instalação obrigou à passagem de inúmeros fios eléctricos entre a caixa da bateria e o interior do Defender. Usei para isso a abertura existente para a saída dos cabos da bateria e passei os fios até ao habitáculo do motor junto à caixa do filtro de ar entrando depois no interior do Defender pela passagem de cabos original..
Tive também que passar fios entre os faróis da A-Bar e o interior do Defender usando a mesma entrada de cabos. Para os faróis do tejadilho foram necessários três cabos. Um por cada par de faróis mais um para a massa. Todos eles entram no interior na parte superior do Pilar A junto à porta do condutor. Resumindo, todos os cabos ficaram disponíveis por trás da consola do Defender e o trabalho seguinte foi ligar tudo aos respectivos interruptores.
O resultado final, a verdadeira central eléctrica, capaz de transformar a maior das escuridões num verdadeiro clarão!
Um próximo passo neste projecto será substituir os interruptores redondos que utilizei nesta instalação por uns interruptores rectangulares de origem, referência STC8870.
Espero que esta descrição seja útil para a vossa instalação!
João Carreira


Parabéns João! Trabalho muito bem feito. Curiosidade: seu guincho Warn está embutido ? Você tem fotos detalhadas? Saudações, Fernando - São Paulo/Brasil.
ResponderEliminarObrigado!
EliminarO guincho está embutido entre o parachoques e o radiador. Estava já assim quando comprei o Defender. Vou procurar algumas fotos e coloco!
Abraço!